Исследование устойчивости и коагуляции лиофобных золей с применением компьютерной технологии - page 4

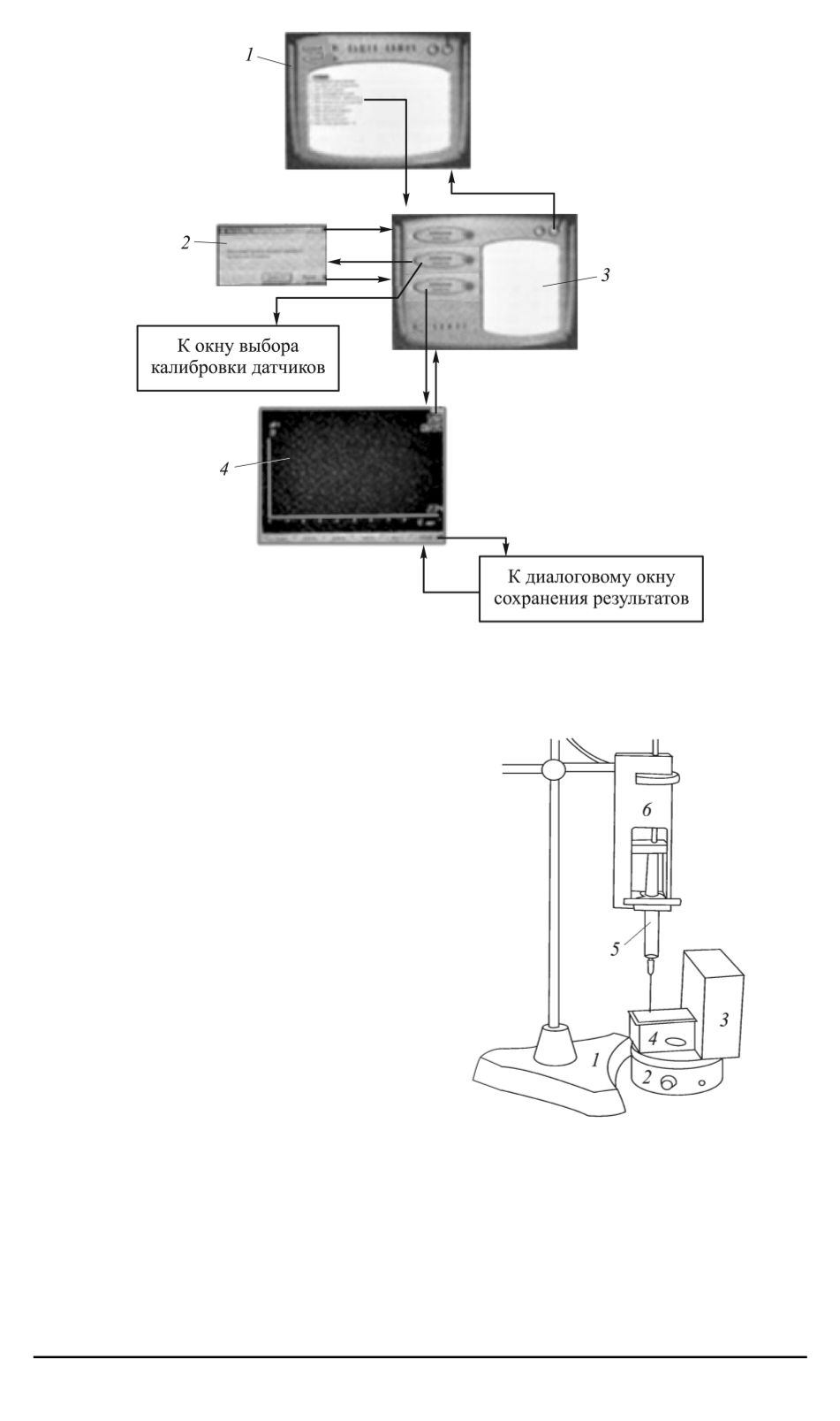
Рис. 1. Окна программы:
1
— окно выбора сценария;
2
— диалоговые окна настройки оборудования;
3
— окно
запуска эксперимента;
4
— окно измерений
Рис. 2. Схема установки для фотоколори-
метрического титрования:
1
— штатив;
2
— магнитная мешалка;
3
датчик оптической плотности;
4
— оптиче-
ская кювета;
5
— шприц;
6
— датчик объема
жидкого реагента
настройки оборудования в кюве-
ту наливали 80 мл коллоидного
раствора и вращением рукоятки
датчика объема постепенно до-
бавляли по 0,2–0,5 мл электро-
лита. При добавлении каждой
порции электролита в компью-
тер вводили результат измере-
ния оптической плотности кол-
лоидного раствора. При включе-
нии системы измерений в ок-
не измерений появляется экран с
системой координат. По оси ор-
динат откладываются значения
оптической плотности коллоид-
ного раствора, по оси абсцисс —
объем добавляемого электроли-
та. В правом верхнем углу экра-
на находятся цифровые индикаторы, численно показывающие соот-
ветствующие значения параметров. Таким образом, при проведении
ISSN 1812-3368. Вестник МГТУ им. Н.Э. Баумана. Сер. “Естественные науки”. 2014. № 1
57
1,2,3 5,6,7,8,9,10,11,12
Powered by FlippingBook